Саморезы для пластиковых окон. Как выбрать оконные саморезы?
- Саморезы для пластиковых окон. Как выбрать оконные саморезы?
- Саморезы для монтажа окон ПВХ. Саморезы для ПВХ-окон
- Саморезы для установки пластиковых окон. Технология установки пластмассовых окон в древесных домах
- Саморезы для ПВХ. Шурупы и саморезы, используемые в производстве ПВХ окон и дверей
- Как вкрутить саморез в пластик. Тип 2 – саморезы фурнитурные ремонтные
- Крепление для пластиковых окон. Монтаж окна
- Видео оконные саморезы
Саморезы для пластиковых окон. Как выбрать оконные саморезы?
При установке окна не обойтись саморезов. Эти элементы обеспечивают долговечное и надежное соединение рамы с основанием. Современный рынок предлагает огромное разнообразие самонарезающих винтов с различными эксплуатационными характеристиками и особенностями. Правильно подобранный саморез является залогом практичного и крепкого сцепления элементов конструкции.

Основные характеристики
Эксперты составили перечень аспектов, которые указывают на то, что винт предназначен для крепления оконных систем, а именно:
- на головке со стороны резьбы крепежа имеются специальные насечки;
- особая форма головки. После полного ввинчивания она не выступает под основанием, обеспечивая аккуратный внешний вид;
- крепкое сцепление между инструментом и саморезом в процессе вворачивания, которое обеспечивается за счет крестообразных шлицев под отвертку.
Разновидности
В сегмент оконных саморезов входит несколько видов продукции. Каждый вариант используется для достижения конкретной цели. Чтобы сделать правильный выбор, необходимо точно знать разницу между моделями.

Фурнитурные
Эта разновидность является самой распространенной и широко используемой. Оконный саморез данного типа имеется ряд преимуществ. Стоит обозначить достоинства и особенности использования винтов.
- Форма головки. Размеры головки составляют 7 мм. Элемент имеет оригинальную конфигурацию, за счет которой крепеж полностью ввинчивается в поверхность, даже в том случае, если он вкручен неровно. Форма значительно упрощает работу.
- Универсальность. Саморезы можно смело использовать для установки не только ПВХ окон, но и деревянных конструкций и материалов листового типа. Функция возможна за счет широкой резьбы. А также крепеж подойдет при монтаже конструкций на мягкие основания.


- Гальваническое покрытие. При изготовлении производители наносят слой золотого или серебряного цинка. Покрытие защищает металл от разрушающего воздействия окружающей среды, механического воздействия и нагрузок. За счет цинкового слоя саморезы способны выдерживать высокую температуру, до 150 градусов по Цельсию со знаком плюс. Если винт изготовлен в соответствии с высокими стандартами качества, то вся его поверхность будет оцинкована.
- Широкий шаг резьбы. Благодаря этой характеристике значительно ускоряется процесс вкручивания крепежей. Острый наконечник надежно фиксирует саморез на основании и не скользит во время работы. Даже новичок без опыта справится с поставленной задачей.
- Большой выбор размеров. Толщина оконных крепежей данного типа не меняется и составляет 4,1 мм, а вот длина может быть разной. Широкий размерный диапазон позволяет подобрать лучший вариант в зависимости от размеров конструкции, твердости материала и прочих факторов. Стандартная длина составляет 1,9; 2,2; 2,5; 3,0; 3,5; 3,8; 4,5 см.
Саморезы для монтажа окон ПВХ. Саморезы для ПВХ-окон
Неверно подобранный саморез, как и неправильно выбранное место сверления, могут сильно повредить окно из пластика. Для установки на пластиковые оконные конструкции различных дополнительных и декоративных элементов, опытные монтажники, как правило, используют саморезы 9,5 миллиметров или 15-17 миллиметров в длину. При этом, как было сказано выше, вкручивать их нужно в потенциально безопасные места. Саморезы должны иметь тонкую основу и быть без бура на кончике.
Главные ошибки, которые совершают непрофессионалы при сверлении пластиковых окон:
- Если попытаться вкрутить саморез в штапик или немного ниже него, стеклопакет повредится. Стекла, используемые в оконных ПВХ конструкциях очень прочны, но несмотря на это, прикосновение самореза к стеклопакету спровоцирует появление трещин на стекле. Произвести ремонт не получится, нужно будет заменить стеклопакет полностью. Стоить это будет минимум треть от всей стоимости оконной конструкции.
- Саморез неправильной длины (слишком длинный) с большой долей вероятности нарушит герметичность внутренних камер ПВХ профиля. Как следствие, тепло- и звукоизоляционные свойства конструкции будут утеряны. Также неправильно подобранные шурупы способны нарушить работу фурнитуры, привести к тому, что окно перестанет открываться.
- Замаскировать отверстие от неграмотно прикрученного шурупа без ухудшения эстетических и эксплуатационных качеств конструкции не получится.
Исходя из всего выше перечисленного, становится очевидным, что по возможности стоит выбирать другие способы крепления дополнительных элементов на пластиковое окно. А если сверления избежать не удается, лучше довериться профессионалам.

Саморезы для установки пластиковых окон. Технология установки пластмассовых окон в древесных домах
Технологический процесс установки пластмассовых окон в древесных строениях имеет также свои индивидуальности.
Последовательность данной процедуры лучше не нарушать, так как это может привести к плохому функционированию данных частей дома. Она заключается в последующих действиях:
- Предварительные предварительные работы:
- демонтаж старенького окна;
- очистка оконного проема от излишней грязи;
- снятие вертикальных и горизонтальных замеров с помощью рулетки;
- проектирование будущей оконной конструкции (при этом следует учитывать все ее особенности).
- Изготовление обсадной конструкции из 4 главных древесных частей, которые должны соответствовать основному оконному проему.
- Монтаж обсадки:
- в торцах оконного проема вырезают пазы;
- в них вставляют готовую обсадную коробку;
- образовавшиеся зазоры заполняют любым подходящим м (например, монтажной пеной, тонкими досками, рулонной паклей).
- Установка пластмассового окна:
- выставляют уровень по вертикали;
- горизонт фиксируют с помощью древесных брусков, подложенных под низ оконной рамы;
- крепят оконную конструкцию к обсадной конструкции, используя при этом анкерные крепления (для этого пригодятся саморезы);
- навешивают оконные створки;
- проверяют их функционирование и плотность закрытия;
- запенивают все щели и просветы монтажной пеной по трем сторонам проема (кроме верхней).
- Финишные отделочные работы:
- срезают выступающие излишние остатки засохшей монтажной пены;
- заклеивают пенную прослойку водоизоляционной пленкой;
- устанавливают декоративные наличники, которые закроют место соединения обсадки и оконной рамы.
Саморезы для ПВХ. Шурупы и саморезы, используемые в производстве ПВХ окон и дверей
Мне нравится
188Для производства ПВХ окна используется 4 основные вида шурупов и саморезов:
1 Саморезы для крепления фурнитуры 

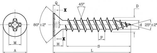
Саморез имеет: острый наконечник, резьбу с редким шагом по всей длине самореза, потайную головку со шлицем PH2. Головка шурупа может быть с насечками и без насечек.
Основные типоразмеры: 4х25мм, 4х30мм, 4.1х25мм, 4.1х30мм, 4.2х25мм, 4.2х30мм
Назначение данного вида крепежа - крепление фурнитуры к профилю ПВХ.
2 Саморезы для крепления армирующего профиля 

Саморез имеет: наконечник с буром, резьбу с частым шагом по всей длине самореза, потайную головку со шлицем PH2. Головка шурупа может быть с насечками и без насечек.
Основные типоразмеры: 3.9х16мм, 3.9х19мм, 3.9х25мм
Назначение данного вида крепежа - крепление металлического армирующего профиля к профилю ПВХ.
3 Саморезы для крепления петлевой группы
Данные саморезы предназначены для крепления петлевой группы к профилю ПВХ. По конструктиву схожи с саморезами для крепления фурнитуры либо с саморезами для крепления армирующего профиля (в зависимости от того, используется саморез с буром или с острым наконечником)
Основные типоразмеры: 3.9x32мм, 3.9x38мм, 4х30мм, 4х35мм, 4х40мм, 4.2х30мм, 4.2х35мм, 4.2х40мм
4 Универсальные шурупы и саморезы для крепления механического соединителя импоста к импосту.
Данный крепеж может иметь различные типы головок: потайная, полукруглая либо с пресс-шайбой. Шлиц PZ2/PZ3 либо PH2/PH3, резьба полная либо не полная.
Основные типоразмеры: 6х70мм, 6.3х70мм, 5х70мм, 5х90мм
Шуруп – это винт, легко вворачивающийся в любой мягкий материал, образуя в нем резьбу. К таким материалам относятся пластик и дерево.
Резьба шурупа имеет редкий шаг и наносится на резьбовой участок шурупа в виде конической формы, который к окончанию шурупа сужается. Резьба на шурупах может нарезаться по всей его длиннее или только по его части.
Шурупы бывают разных размеров и напрямую зависят от его предназначения. Такой крепеж имеет различный вид головки. Это так же зависит от его применяемости.
Для вкручивания шурупа в материал требуется предварительно просверлить отверстие меньшего диаметра, чем сам шуруп.
Саморез - по своим характеристикам и внешнему виду похож на шуруп, но имеет несколько отличий:
1. саморез более прочный
2. резьба всегда полностью покрывает цилиндрическую часть самореза
3. наконечник самореза более острый, чем наконечник шурупа
4. шаг резьбы может быть редким, частым или комбинированным.
5. для вкручивания самореза не требуется предварительное сверление отверстия.
- Потайная головка
При вкручивании утапливается в материал таким образом, чтобы не было выступающих частей. Основная масса крепежа используемого в производстве ПВХ конструкций имеет именно такой вид головки. На конусную часть потайной головки могут быть нанесены специальные насечки. Они служат для снятия стружки с поверхности примыкания головки к материалу, которая образуется при вкручивании самореза или шурупа. Насечки также служат в качестве стопора, если для вкручивания используются специальные автоматы.
- Полукруглая головка
Благодаря широкой несущей поверхности, эффективно удерживает закрепляемый элемент. Использование такой головки оправдано, когда нет особой необходимости сохранять ровной поверхность закрепляемого элемента.
- Головка с пресс-шайбой
Такой вид головки, как и предыдущий, имеет широкую несущую поверхность и малую высоту. Благодаря увеличенной несущей поверхности данный вид головки хорошо подходит для надежного крепления листовых материалов. Некоторые производители используют крепеж с такой головкой для фиксации пластиковых механических соединений в таких профилях, как Rehau, Brusbox.
Как вкрутить саморез в пластик. Тип 2 – саморезы фурнитурные ремонтные
Эта группа изделий похожа на предыдущую, но имеет целый ряд отличий:
- Главное предназначение данного варианта – крепление фурнитуры и других элементов в случаях, когда при вкручивании обычных саморезов сорвалась резьба . У этого типа увеличен диаметр, он составляет 4,8 мм, поэтому крепеж отлично держится в отверстиях от фурнитурных метизов;
- Кроме того, увеличенный диаметр делает этот вариант намного прочнее, что позволяет использовать его не только на окнах, но и при работах с деревом . Острый наконечник и широкий шаг резьбы позволяют использовать этот вариант не только на окнах из ПВХ;

Большая толщина значительно повышает прочность
- Ребра на нижней части головки позволяют надежно фиксировать крепеж и предотвращать его проворачивание. Покрытие может быть как серебристым, так и золотистым, особой разницы нет;
- Головка имеет диаметр 7 мм, полукруглая верхняя часть обеспечивает качественное утапливание, даже если крепеж пошел не под прямым углом . Работа проводится с помощью насадки РН2.
Ассортимент типоразмеров достаточно велик, но для ПВХ окон наиболее востребованы варианты длиной 25 и 38 мм.
Работать с этим крепежом своими руками очень легко: он просто вкручивается в отверстие от обычного фурнитурного самореза, никаких дополнительных операций не требуется. Если вы вкручиваете его в пластик без отверстия, то дополнительное сверление не требуется. Но если вы работаете отверткой, а не шуруповертом, то лучше все же предварительно пройти сверлом 3,5 мм, вкрутить саморез руками без подготовки весьма тяжело.
Крепление для пластиковых окон. Монтаж окна
Монтаж окон ПВХ с фиксацией в проеме может быть выполнен двумя способами:
- Анкерными болтами через рамный профиль.
- Закрепляемыми сбоку на раме пластинами с дюбель-саморезами.
Первый вариант более надежен. Однако при такой технологии установки пластиковых окон профиль рамы оказывается просверленным насквозь. В результате снижается его теплоизоляционная эффективность. Если оконный блок нужно установить в здании, возведенном в регионе с холодным климатом, то правильней всего будет от этого способа отказаться.
Второй вариант крепления пластиковых окон считается менее надежным и не рекомендован при наличии сильных ветровых нагрузок. Зато зимой тепло через дырки в профиле из дома в этом случае точно не уйдет на улицу.

Монтаж окон с разными вариантами откоса
Дырки под крепежи окон ПВХ просверливаются в стене с отступом от углов проема в 15–25 см. Плюс еще одно или два отверстия по бокам, снизу и сверху делаются посередине с шагом не более 70 см между ними.
Непосредственно выставление нового окна в проеме производится на подставочный профиль и регулировочные клинья. Плюс заранее надо будет по внешней боковой стороне рамы вкруговую приклеить паропроницаемую прокладку (ПСУЛ). И затягивать болты или саморезы до упора сразу после выравнивания конструкции в проеме с помощью уровня не следует. Сначала надо еще закрепить отлив для отвода дождевой воды и гидроизоляцию.

Источник: https://interer-stil.ru-land.com/stati/samorez-dlya-okon-samorezy-dlya-pvh-okon