Как подключить генератор к компьютеру. Подписывайся, и читай статью дальше:
- Как подключить генератор к компьютеру. Подписывайся, и читай статью дальше:
- Подключение генератора к дому через розетку. Основные ошибки
- Подключение генератора к щитку. Как подключить генератор к дому?
- Подключение генератора с автозапуском к домашней сети. Способы подключения генератора к сети
- Видео как подключить бензиновый генератор к дому и НЕ СПАЛИТЬ ЕГО? ✅100% схема подключения бензогенератора
Как подключить генератор к компьютеру. Подписывайся, и читай статью дальше:
Самое главное – при работе генератора автомат №1 должен быть обязательно выключен!
Что произойдёт, если включить генератор, не отключая вводной автомат? В лучшем случае – сработают защитные автоматы, в худшем – сгорит генератор, и/или электрик ремонтной бригады получит удар напряжением от генератора Виктора!
Получается, что генератор теперь подключен в специальную розетку, на стене летней кухни. При работе генератора напряжение в него попадает на летнюю кухню, и затем – на автомат 2, а потом на автомат 3 и в дом.

Установлены новые защитные автоматы
В середине стоит индикатор на 220В, который подключен ДО вводного автомата, сразу после счетчика. Таким образом, я могу даже днём сразу узнать, что на улице дали свет, выключить генератор, и подключить питание с улицы автоматом 1.

Подключение автоматов
В результате, получилась такая симпатичная конструкция:

Электрощиток со счетчиком и автоматами
Виктор добавил схему подключения, извинялся, если что коряво.
Кроме того, в этой схеме не нарисован индикатор, который фактически представляет собой лампочку на 220В, включенную сразу после счетчика.
Схема подключения генератора к домашней сети
Главный секрет безопасности – в соблюдении этих простых правил включения генератора. Я их повесил перед счетчиком, чтобы не забыть. К тому же меня может не быть дома, жена будет включать)
1. Выключить ВВОД (автомат 1)
2. Пойти к генератору, подключить его к спец.розетке.
3. Проверить, чтобы выключатель нагрузки на генераторе был выключен. Также, чтобы вся мощная нагрузка в доме была выключена.
4. Запустить генератор, дать ему прогреться и выйти в режим не менее 30 секунд.
5. Включить автомат на генераторе.
6. Поочередно включить необходимую нагрузку.
1. О появлении напряжения на уличной линии сигнализирует красный индикатор под счетчиком.
2. Выключить мощную нагрузку
3. Выключить генератор, выключить выключатель нагрузки у него на выходе.
4. Вытащить вилку генератора из розетки.
5. Включить вводной автомат №1.
Всё это делает система АВР автоматически, человеку надо только дернуть стартер на генераторе. А если генератор с автозапуском – вообще делать ничего не надо!
Привожу несколько фото инверторного генератора Электроприбор БЭГ-3100.

Бак для бензина. Индикатор уровня и крышка

Фильтр воздухозаборника

Топливный кран

Ручной стартер

- Залив масла
- Плюсы расписывать не буду, а из минусов:
- 1. Неудобная система заливки масла
2. Очень громкая работа. Сравнивал на ощущение, работает по громкости, как обычный генератор.
3. Отсутствие защитного автомата на выходе генератора, есть только электронная защита.
- На всякий случай привожу схему генератора и чертёж.
- Электрическая схема инверторного генератора Электроприбор БЭГ-3100
- Сборочный чертеж и каталог запчастей инверторного генератора Электроприбор БЭГ-3100
Инструкцию к данному генератору можно легко скачать в интернете.
В заключение – фото, как у нас на рынке продают картошку)

- Генератор питает ларёк и весы
- Тут всё проще, не надо никакой схемы подключения).
Подключение генератора к дому через розетку. Основные ошибки
Существует ряд ошибок, которые допускают неопытные «электрики».
Нельзя подключать мини-электростанцию к домашней розетке, когда автоматы в щитке ввода отключены. При редких перебоях в электроэнергии становится традицией «подкидывать» кабель бензогенератора к ближайшему разъему через штепсель. Большинство рассуждают: зачем обустраивать резервный ввод, если свет пропадает 2-3 раза за год. Русский человек живет по принципу: мужик не перекреститься пока гром не грянет. Электрики не рекомендуют даже задумываться о подключении генератора через розетку по следующим причинам:
- В линии отсутствует отдельный автомат.
- Розеточная группа не способна принять магистральную нагрузку.
- Срабатывает человеческий фактор: владельцы забывают отключить вводной автомат, что приводит к перегрузкам, срабатыванию защиты.
- Существует вероятность «встречки»: электричество начинает поступать с общей сети при работающем генераторе. Агрегат выходит из строя.
- Не стоит пренебрегать комфортной и надежной системой эксплуатации узла. Лучше изучить схемы подключения генератора к домашней сети и подобрать оптимальный вариант. Это позволит сохранить оборудование и электросеть.
Генератор должен иметь мощность несколько раз меньше пропускной способности проводки. К примеру, значение для розетки – 3,5 кВт. В противном случае возникает перегрев, короткое замыкание и пожар. При включении автомата возобновиться питание, а резервный источник сломается.
Однако в некоторых случаях подключение генератора через розетку возможно. Если мини-станция соответствует по мощности, то ее можно подключить к распределительному щитку к контактам рубильника, но со стороны генератора. Лучшим вариантом будет, если к нему подключить сперва удлинитель, а только потом нужные приборы. Это исключит связь резервного источника с домашней сетью.
На даче и в загородном доме при постоянных отключениях основного источника резерв подключают через перекидной рубильник, системы автоматического запуска или реверсивный переключатель.
Подключение генератора к щитку. Как подключить генератор к дому?
Все наши жилые дома подключены по третьей категории электроснабжения. А это значит, что перерывы в электроснабжении могут быть до суток. В наше время уже трудно представить дом без электричества, где постоянно работает холодильник, морозильник.
В некоторых районах перебои с электроснабжением бывают очень редко, а где-то поломки в электросетях могут случаться достаточно часто в виду тех или иных причин. В таких районах, дачных поселках бесперебойное питание является очень актуальным.
Рассмотрим схему подключения бензинового генератора к дому.
Тема для написания статьи возникла у меня совершенно случайно. На выходных помогал брату заливать фундамент для дома. Сейчас, наверное, на каждой стройке можно увидеть электрическую бетономешалку и бензогенератор, если на участке еще не подведено электричество. Обычная бетономешалка, которая работает от обычного бензинового однофазного генератора. Купить такой генератор можно за 300-500$. Вот там и возникла у меня идея подключения этого бензогенератора к дому, в случае пропадания электричества.

Бензиновый генератор
Бензиновые генераторы такого класса запускаются от ручного стартера, поэтому подключение к электрической схеме дома будет достаточно простым.
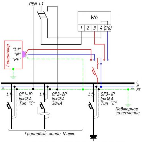
Ниже показана, какая у вас должна быть схема щитка учетно-распределительного.

Подключение генератора к дому через розетку
Питающий кабель должен приходить на выключатель нагрузки, затем установлен счетчик электрической энергии, защитный автоматический выключатель (либо дифференциальный автомат на 300мА). Количество групповых автоматов зависит, насколько у вас большой дом. Я условно показал 2. А вот QF3 это как раз та линия, к которой мы будет подключать наш бензогенератор.
Подключение бензинового генератора к дому нам, можно сказать, обойдется бесплатно, поскольку линию с установленной розеткой мы будем использовать не только для генератора.
Розетку нужно установить на наружной стене дома где-нибудь под козырьком дома. Розетка должна быть со степенью защиты не менее IP44. Если у вас дом с гаражом, то розетку для бензогенератора лучше поставить у выхода с гаража, поскольку генератор будет храниться в гараже и не потребуется далеко нести в случае пропадания электричества.
Вернемся к схеме. На этой третьей группе я установил автомат на 16А, кабель должен быть медный сечением не менее 3×1,5мм2. Этого достаточно, чтобы в доме работал холодильник, освещение и другие бытовые приборы. Разумеется, в такое время лучше одновременно не использовать мощные электроприборы, такие как стиральная машина, чайник, электрическая плита. Если у вас генератор более 3кВт, то автомат, кабель и розетку можно установить на порядок выше. Если автомат более 16А, то и розетка должна выдерживать соответствующий ток.
Рядом с домом у вас должен быть забит контур повторного заземления. От этого контура нужно провести проводник до места установленной розетки. Это необходимо для заземления бензогенератора. На корпусе у него есть специальный зажим для заземления. Для присоединения генератора к сети дома нужно изготовить шнур с двумя вилками, а для заземления бензогенератора можно сделать перемычку из провода ПВ3.
Теперь все готово, чтобы применить наш бензогенератор в качестве резервного источника питания в случае аварии в электросетях.
При исчезновении электричества первым делом нужно пойти и отключить автоматический выключатель, который у вас установлен после счетчика.
ОТКЮЧЕНИЕ ВВОДНОГО АВТОМАТИЧЕСКОГО ВЫКЛЮЧАТЕЛЯ ОБЯЗАТЕЛЬНО!!!
Затем идем в гараж, выносим бензогенератор на улицу, заземляем его, заправляем бензином, включаем в розетку. После всего этого можно завести генератор.
Не в ком случае не включайте бензиновый генератор в закрытом помещении!!!
После восстановления подачи электроэнергии, необходимо проделать все операции в обратном порядке, т.е. вводной автомат включаем после того как отключили генератор.
Вот так можно подключить бензиновый генератор к дому, а установленная для него розетка может использоваться для переносного инструмента в гараже, подключения газонокосилки и других электроприборов, которые используем на улице.
Разумеется, при желании можно сделать схему, чтобы генератор включался автоматически, но для этого нужен специальный генератор, который должен быть выполнен во всепогодном исполнении либо установлен в специальном помещении с отводом выхлопных газов.
Предлагаю еще вашему вниманию более правильную схему с заземлением. Двухполюсный переключатель позволит перейти с системы заземления TN-C-S на систему заземления IT.

Схема подключения генератора к частному дому с заземлением
На схеме показан однополюсный автоматический выключатель, но можно взять и 1Р+N и разрывать фазный и нулевой проводники.
Подключение генератора с автозапуском к домашней сети. Способы подключения генератора к сети
Существует 3 способа правильного подключения электростанции к домовой сети.
Перекидной (реверсивный) рубильник (ручное управление)
Это прибор, который будет отвечать за безопасное подключение. Преимущества такого типа управления:
Простота конструкции – рубильник оснащен 3 режимами – 1-0-2. 1 - питание от общей сети, 0 - замыкание всех контактов, 2 - питание от генератора.
Простота подсоединения – к верхней части рубильника с левой стороны подключается общая сеть, с правой – генератор. Снизу провода-перемычки формируют ввод в общедомовую линию. Для безопасности системы рекомендуется добавить автоматы к каждой линии. Они обеспечивают отключение системы при перегрузках и других критичных ситуациях.
Доступная цена – рубильники такого типа стоят в пределах 500 р.
Запуск генератора с перекидным рубильником:
отключение автомата ввода,
рубильник устанавливается в положение 2,
отключение автомата нагрузки,
запуск генератора (прогрев агрегата перед полноценной работой выполняется в течение 4 минут),
на рубильник подается ток,
включение автомата нагрузки.
Заземление генератора в этом случае обязательно. Для этих целей в землю вколачивают металлический прут длиной от 2 м и соединяют его через медный провод к соответствующей клемме на генераторе.
Данный вариант также применяется для подключения к трехфазной сети однофазного генератора. На схеме ниже показано, как правильно произвести подсоединение агрегата к электролинии.

Полуавтоматический блок АВР (автоматики ввода резерва) на контакторах
В данном случае используется самый простой вариант блока АВР с приоритетом на магистральную сеть.
Для общей системы вам потребуется:
Автоматы АВР на полупроводниках (2 шт.), которые соединяются между собой;
Кабель сечением не меньше 4 мм2. Длина кабеля определяется удаленностью конструкции от генератора;
Автоматы, отключающие линии;
Металлический ящик – размеры зависят от габаритов устанавливаемого электрооборудования и места монтажа.
Схема подключения:
- Подсоединение элементов цепи наглядно показано на схеме:
В ящике собираются все элементы системы: устанавливаются автоматы, к ним подключаются блоки АВР, после выполняется проверка правильности подключения.

3. Заземление генератора.
Запуск системы:
При отсутствии электропитания в общей сети запускается генератор и автоматически произойдет переключение линии благодаря замыканию контактора.
При появлении тока в общей сети переключение с генератора на централизованное электроснабжение произойдет автоматически. При этом вам следует лишь заглушить генератор ради экономии топлива.
Для удобства управления и защиты системы можно дополнительно установить реле, которое будет выключать агрегат при активации общей сети, и включать его с задержкой в 4 минуты, чтобы генератор успел прогреться.
Блок автоматического управления
Такой тип подключения считается самым лучшим на сегодняшний день. Подробная схема подключения показана на картинке ниже.

Для этого типа подключения необходимо подобрать генератор с автозапуском для построения полностью автоматизированной системы. А чтобы избежать проблем с частым доливом топлива, можно дополнительно приобрести бензобак большого объема.
Принцип работы системы:
При прекращении подачи тока в общей сети блок быстро реагирует на изменения и запускает сигнал АВР, который, в свою очередь, активизирует генератор. После запуска агрегату дается 4 минуты для прогрева, после этого электричество поступает в общедомовую сеть.
После возобновления подачи тока от общей магистрали генератор автоматически выключается.