Подготовка фундамента. Бетонная подготовка под монолитный фундамент
- Подготовка фундамента. Бетонная подготовка под монолитный фундамент
- Как заложить фундамент. Разметка места под будущий фундамент
- Подготовка под ленточный фундамент. Виды ленточного фундамента
- Правильный ленточный фундамент. Технология выполнения
- Видео подготовка основания фундамента - Строительство дома с нуля. Часть 1
Подготовка фундамента. Бетонная подготовка под монолитный фундамент
Бетонная подготовка под фундамент может выполняться с армирование или без него.
Безарматурная подготовка
В первом случае результатом станет более дешевая конструкция, но и менее надежная. Безарматурный способ подразумевает использование щебня или тощего бетона. Этот раствор содержит не более 5% цемента, остальная масса состоит из щебня или гравия. Сорт такого бетонного раствора отличается низкой стоимостью и невысокими качественными характеристиками. Устройство подготовки такого вида предполагает выполнение следующих действий:
- Укладка щебня или тощего бетона толщиной около 0,2 метра.
- Тщательное уплотнение слоя.
- Заливка битумной смолы по всей площади подготовки до образования пленки или полного насыщения.
Такая подготовка для фундамента может использоваться при строительстве подсобок и вспомогательных помещений , но совсем не подходит для серьезных зданий.
Подготовка с армированием
Более надежной считается армированная подготовка под фундамент. Такое основание может обеспечить безопасность строению и повысить устойчивость фундамента к подмыванию грунтовыми водами при их близком расположении.
Процесс создания армированной подбетонки выглядит следующим образом:

Армирование подбетонки
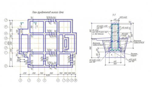
- Выполнение армирования.Согласно строительным правилам и нормам усиление бетонной подготовки выполняется сеткой из арматурных прутьев сечением 8 мм, которые связываются мягкой вязальной проволокой . Конструкция укладывается до заливки бетона. Использование армирующей сетки позволяет уменьшить высоту подбетонки до 10-15 см. После заливки бетона рекомендуется установить вертикальные арматурные прутки, чтобы обеспечить прочное соединение основы с будущим фундаментом. Прутки должны возвышаться над поверхностью подбетонки на 0,2 метра и более.
- Подушка из тощего бетона.Бетон заливают в готовую конструкцию с дренажным слоем из песка и щебня, опалубкой, гидроизоляцией и армированием. Смесь должна заполнить конструкцию до отметок, сделанных на опалубке. Залитый бетон обязательно трамбуют, удаляя лишний воздух из раствора. Поверхность выравнивают и разглаживают. Чтобы подбетонка набрала необходимую прочность, а не высохла под воздействием солнечных лучей, нужно защитить ее полиэтиленовой пленкой.
Как заложить фундамент. Разметка места под будущий фундамент
После окончательного принятия решения о постройке дома, необходимо тщательно подготовить участок под возводимое строение. Место постройки нужно очистить от деревьев и кустарников, крупных камней и прочего мусора, который может препятствовать работе.

После этого требуется подготовить необходимый инструмент, который включает в себя:
- Бечевка или леска;
- Колышки из дерева (длина может быть от 110 до 130 см);
- Измерительная рулетка. Предпочтение следует отдать длинным вариантам, до двадцати пяти метров;
- Бытовые ножницы для нарезки бечевки или лески;
- Строительный отвес;
- Слесарный угольник;
- Любое счетное устройство типа калькулятора. Оно будет необходимо для правильного расчета сторон заливаемого фундамента и объема смеси;

Первым делом нужно наметить место, в котором будет располагаться любой угол фасада здания, после чего в требуемую точку забивается имеющийся колышек. От установленной метки отмерить ширину планируемого фасада, после чего на требуемое расстояние вбивается второй колышек.

Используя строительный отвес проверяется возможное отклонение угла фасада, выставляется вертикаль, после чего от нее протягивается бечевка или леска, которая должна быть расположена строго перпендикулярно требуемой линии фасада.

Применяя слесарный угольник намечают оставшиеся углы здания, устанавливая колышки на требуемые места и соединяя последние бечевкой. После всех проведенных процедур важно проверить точность расположения вбитых маячков, для чего при помощи строительной рулетки производится замер диагоналей здания. При имеющемся расхождении нужно подкорректировать вбитые колышки.

Таким образом, размечается внешний диаметр строения. Для определения внутреннего периметра, не отходя от линии разметки по разные стороны каждого вбитого колышка, также устанавливают еще по одному, отступая по сорок сантиметров в каждую сторону.

Соединяя бечевкой новые метки на противоположных сторонах, получаем внутреннюю разметку периметра дома.

После этого, сверяясь с намеченным планом дома, аналогичным способом при помощи колышков и бечевки наносят разметку внутренних несущих стен конструкции.

Если поверхность почвы, на которую будут заливать фундамент, не идеально ровная, требуется определить самую нижнюю точку, после чего произвести расчет требуемой глубины траншеи.
Яму (или канаву) под фундамент необходимо копать строго по имеющейся разметке. С этой целью возможно привлечение техники, такой как экскаватор или трактор, или же допускается воспользоваться обычной лопатой.

При наличии твердой или каменистой почвы глубина канавы может быть до 50 сантиметров, однако, для укрепления прочности фундамента в этом случае придется бурить землю через каждые две метра, включая угла фасада с последующей установкой столбов опоры.

Опорные столбы заглубляются на глубину порядка полутора метров от верхнего уровня траншеи, что позволит обеспечить прочный каркас фундамента и обеспечить надежность всей последующей конструкции.
Подготовка под ленточный фундамент. Виды ленточного фундамента
Перед тем как сделать ленточный фундамент своими руками, стоит изучить его конструктивные особенности. В зависимости от используемой технологии, лента бывает двух типов:
- монолитная;
- сборная.

а – монолитный; б – сборный
Монолитный ленточный фундамент станет более выгодным вариантом при частом строительстве. Сборная же технология чаще используется для массовой застройки. Это вызвано тем, что для монтажа применяют бетонные блоки и железобетонные фундаментные плиты заводского изготовления. Такие конструкции в среднем имеют длину 1—2 метра и весят от пары сотен килограмм до пары тонн.
Устройство ленточного фундамента из блоков становится невозможным без аренды грузоподъемной техники: башенный или автокран. Это существенно удорожает строительство. Кроме того, на небольшом участке возникает проблема размещения механизмов.
Заливка ленточного фундамента позволяет избежать дополнительных затрат. Этот вариант рационален при возведении дома своими руками. Для выполнения работ достаточно будет нескольких человек.
По конструкции лента бывает трех типов:
- глубокозаглубленный ленточный фундамент;
- мелкозаглубленный;
- незаглубленный.
Первый вариант подойдет при строительстве зданий на любых основаниях. В этом случае есть возможность сделать подвал или техническое подполье для инженерных коммуникаций. Устройство ленточного фундамента мелкозаглубленного типа рассматривается для небольших построек и в случае залегания на участке непучинистых грунтов с хорошей прочностью (крупнообломочные, средние или крупные пески).
Незаглубленная лента используется только для вспомогательных построек. На нее можно поставить беседку или навес. Грамотно подобранный тип фундамента станет залогом успеха всей работы.
Правильный ленточный фундамент. Технология выполнения

Перед тем, как правильно залить ленточный фундамент, необходимо подготовить земельный участок и выполнить разбивку будущего сооружения на местности
Перед тем, как правильно залить ленточный фундамент, необходимо подготовить земельный участок и выполнить разбивку будущего сооружения на местности. Для этого территория строительства очищается от мусора и ненужных зелёных насаждений. Далее выполняется разбивка осей будущего сооружения и их привязка от границ участка. После определения места расположения одного из углов дома под прямым углом к нему натягивается шнур. От него размечаются следующие углы здания и забиваются колышки. По колышкам натягивается шнур. От него отмеряют ширину фундамента и натягивают второй шнур.
Важно: глубину траншеи вычисляем от самой нижней точки разбивки фундамента.
Как выполняется дальнейшее строительство мелкозаглублённого фундамента, расскажет наша пошаговая инструкция и
- Копаем траншею при помощи лопаты или строительной техники. Дно траншеи выравниваем по уровню.На дне необходимо выполнить песчаную подушку высотой 200 мм. Песок после укладки заливается водой и трамбуется.
- Затем укладывается слой изоляции. Для этого можно использовать плотную плёнку, бетонную прослойку высотой 10 см или рубероид. Применять геотекстиль в данном случае не стоит, поскольку он только снизит прочность основания.
- Теперь приступаем к возведению опалубки. Для этого можно использовать доски, влагостойкую фанеру, OSB или специальные щиты. Внутреннюю поверхность деревянной опалубки лучше закрыть плёнкой. Так вам будет проще снимать доски после застывания бетона, а также они меньше загрязнятся, и их можно будет использовать в дальнейшем.
Совет: можно изготовить несъёмную опалубку из экструдированного пенополистирола. Так вы сможете утеплить фундамент и сократить расходы на устройстве опалубки. Однако с внешней стороны плиты пенополистирола нужно хорошо укрепить, чтобы он выдержал давление бетона.
- Теперь выполняется устройство арматурного каркаса. Для этих целей изготавливаем пространственный каркас из арматуры диаметром 1-1,2 см. Шаг поперечных прутков 20 см. Каркас устанавливаем в опалубку так, чтобы после заливки бетоном от края бетонной поверхности до арматуры было не меньше 50 мм тела фундамента. Это позволит надёжно защитить каркас от коррозии.
- Не забывайте установить и привязать к каркасу трубы (гильзы), через которые в дом будут заводиться инженерные коммуникации. Также стоит заложить трубы для вентиляции пространства под домом. Чтобы в них не попал бетон при заливке, туда насыпается песок.

После приготовления или покупки бетонной смеси можно приступать к заливке
- 6.После приготовления или покупки бетонной смеси можно приступать к заливке. Как правило, заливку производят послойно. В каждом слое удаляются пузырьки воздуха при помощи глубинного вибратора. Так конструкция будет прочнее. При заливке бетона не стоит его лить с высоты более 1,5 м, чтобы не вызвать снижения прочности конструкции.
- 7.После заливки бетонная лента накрывается полиэтиленовой плёнкой для равномерного испарения влаги. Кроме этого, летом необходимо первую неделю смачивать бетон для защиты от пересыхания. Через неделю плёнку можно убирать.
- 8.Опалубку можно снимать при набирании бетоном первоначальной прочности. Обычно это происходит через две недели. Полное застывание наступает через 28 суток.
- 9.Стенки фундамента защищаются от влаги при помощи битумной мастики, которая наносится в два слоя.
- 10. Выполняется утепление основания. Для этого лучше всего использовать экструдированный пенополистирол. Он крепится к внешней поверхности до точки промерзания грунта. Особенно важна теплоизоляция фундамента в доме с подвалом.
- 11. Теперь можно производить обратную засыпку котлована или траншеи. Для этого лучше использовать смесь песка, глины и гравия, которая тщательно трамбуется.
- 12. Для защиты фундамента от атмосферных осадков выполняется отмостка.