Как подсоединить отопление в частном доме к газовому настенному котлу. Установка настенного котла
- Как подсоединить отопление в частном доме к газовому настенному котлу. Установка настенного котла
- Обвязка настенного двухконтурного газового котла. Разновидности подключения
- Установка двухконтурного котла в частном доме. Монтаж настенного газового котла. Материалы и инструменты
- Подключение газового котла в частном доме. Этапы подключения газовых котлов
- Подключение газового котла к электросети. Газовый котел - электрозависимый и “уязвимый”
- Подключение одноконтурного газового котла. Подключение одноконтурного типа
- Как подключить двухконтурный котел vaillant. Настенные газовые котлы серии Vaillant: устройство одноконтурных моделей, инструкция по эксплуатации + цены
- Видео подключение газового котла. Монтаж газового котла.
Как подсоединить отопление в частном доме к газовому настенному котлу. Установка настенного котла
- Система отопления может быть однотрубная или двухтрубная. Независимо от количества труб, сначала нужно удалить заглушки с патрубков устройства. На вход обратной подачи устанавливают специальный фильтр (сетчатый) для защиты от попадания пыли или грязи.
- Далее нужно загерметизировать все участки контакта (подойдёт как краска, так и силиконовый герметик)
- Кран, отсекающий подачу газа от магистрали, оборудуют специальным фильтром. Многие экономят на этом пункте, а зря, ведь деталь очень ответственная. Далее нужно надёжно загерметизировать стык и проверить качество при помощи воды или газового датчика. , разрешается использовать только гофрированные. Патрубок котла прикрепляют к шлангу и затягивают накидную гайку. Герметизация в таком случае гарантируется паранитовой прокладкой.
- Подключать прибор к сети нужно только тогда, когда конструкция предполагает закрытую топку. В большинстве приборов трёхпроводная система подключения. Для безопасного подключения нужно использовать стабилизатор , который спасёт от скачков напряжения и продлит срок службы.

Крепление настенных котлов выполняется при помощи специального кронштейна, который находится в комплекте с устройством. Материал кронштейна должен быть совместим с материалом стенки. Если те, что находятся в комплекте не совместимы со стеной (нужно уточнить это в спецификации к кронштейнам), нужно приобрести другие. Часто в комплекте с котлом предоставляется трафарет для точной разметки крепления.
Аналогично прошлому пункту нужно снять заглушки . Затем трубу, подающую холодную воду нужно оборудовать фильтром, чтобы исключить шанс попадания грязи. Отсекающие краны должны иметь разъёмные соединения (в народе такие называют «американками»). Он делает процесс монтажа намного легче, а замена крана не доставляет проблем. Патрубки холодной воды располагаются слева, а горячей воды – справа.Обвязка настенного двухконтурного газового котла. Разновидности подключения
Автономное отопление можно реализовывать с помощью:
- Настенного одноконтурного котла с электронным розжигом, обеспечивающего принудительную циркуляцию в радиаторной системе.
- Энергонезависимого настенного или любого напольного оборудования.
- Энергонезависимого котла, который установлен в открытом контуре с естественной циркуляцией.
- Модификации отопительного контура для теплых полов. Здесь характерна невысокая температура теплоносителя.
- Одноконтурного котла, подключенного к системе горячего водоснабжения. Речь идет о схеме обвязки газового котла отопления с бойлером
- Двухконтурного котла, обеспечивающего отопление и ГВС.
- Когда контур ГВС имеет рециркуляцию воды. Благодаря постоянному движению воды в контуре поддерживаются в горячем состоянии полотенцесушители, соединенные с ГВС. Также обеспечивается высокая скорость подачи горячей воды на смесители.

Если разводки ГВС значительной длины не будет иметь рециркуляцию воды, она будет нуждаться в продолжительном сливании до нагрева. Кроме известных неудобств это влечет за собой также финансовые потери. Тоже касается и тупиковой разводки ГВС без рециркуляции. В таком случае нагревание подключенных к разводке полотенцесушителей происходит исключительно во время водозабора.
Установка двухконтурного котла в частном доме. Монтаж настенного газового котла. Материалы и инструменты
Остановив выбор на понравившейся модели, поинтересуйтесь, чем её крепить на стену и что для этого предложено в комплекте к котлу (крюки, силовые дюбеля). Если нагреватель продаётся без креплений, их придётся приобрести дополнительно.

Откажитесь от покупки, если агрегат произведён не слишком солидным производителем . Либо это начинающий поставщик, либо что вероятнее, не особенно заботящийся о качестве.
Оплатив покупку, можно нести её домой и приступать к монтажу на стене. Для этого нужны будут инструменты :
- электродрель или перфоратор ;
- металлические патрубки ;
- строительный уровень (предпочтительнее лазерный).
С помощью последнего проверяют, насколько ровно установлен агрегат. Особенно это важно для конденсационных газовых котлов. Малейшее отклонение от вертикали гарантирует поломку , причём в ближайшее время.
Подготовка места для установки
Следует помнить, что помещение, где установят газовый котёл, считается взрывоопасным и должно отвечать множеству критериев, установленных законодательством . Поэтому до того, как оформлять заказ, следует убедиться, что в вашем доме это возможно, иначе покупка станет абсолютно бесполезной: Горгаз откажется согласовывать процедуру.
Обычно настенный котёл ставят на кухне . Кроме вентиляции и сквозного отверстия на входной двери (а она во всех случаях должна выходить на улицу), уделите внимание самой стене. Убедитесь, что она прочная и выдержит установку силового крепежа, да ещё и котла на нём. Для этого усиливают стену деревянными плашками . Покрытие стены должно быть не воспламеняющимся . Если есть риск, что оно загорится при пожаре, на стену кладут пласт негорючего материала, затем уже котёл.

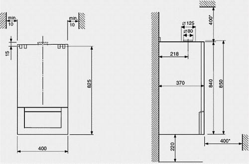
Фото 1. Примерные размеры настенного котла и нормы его размещения по отношению к соседним стенам, полу и потолку.
Агрегат, согласно нормам, отстоит от стены примерно на 45 см . Поэтому крепить предстоит не прямо на панель, а на бруски, предварительно прикреплённые к стене. Высота от пола должна быть от 0, 8 до 1, 6 м . Оставшиеся стены для эстетики облицовывают керамической плиткой.
Внимание! При установке конденсационного газового агрегата нужно помнить, что его вешают с уклоном «от себя» , то есть расстояние между стеной и котлом вверху несколько меньше, чем между стеной и нижней частью агрегата.
Навешивание котла
Процедура по установке состоит из следующих шагов:

- распаковка котла;
- сверка маркировки на корпусе с данными в сертификате и накладных на прибор;
- прикрутка кронштейна или другого подходящего крепежа;
- снятие заводских заглушек с агрегата;
- промывка внутренних патрубков .
Теперь котёл можно вешать на нужное место. Проверьте горизонтальность котла, откорректируйте его положение при необходимости.
Остаётся подключить котёл к системе. Если мастер уже пришёл по вызову, можно привлекать его к работе.
Дымоотвод в частном доме
Чаще всего в домах встречаются котлы с закрытой топкой . Это и понятно: они проще в обращении, подключать их к дымоотводу легче — достаточно просто прикрутить коаксиальную трубу . В частных домах коаксиальный дымоотвод выводят наружу через стену .

Фото 2. Схема проведения дымоотвода от газового котла через ближайшую стену. Показано движение дымовых газов и воздуха.
Для высоты подвешивания трубы нет жёстких требований, поскольку тяга обеспечивается посредством работы встроенного вентилятора . Открытая топка подразумевает установку индивидуального дымоотвода, причём особое внимание придётся уделить сечению трубы.
Внимание! Приобретая трубу, смотрите, из чего она выполнена. Годятся для работы только износоустойчивые материалы , не боящиеся капризов температур и воздействия продуктов сгорания.
Подключение к системе отопления
Делать предстоит фактически то же самое, что и при подключении отопления . Отличие состоит в кранах и диаметрах труб.

На «холодную» трубу ставят фильтр , что позволит предупредить попадание в нагреватель грязи и частиц металла.
Отсекающие краны с разъёмными соединениями (так называемые американки). С ними работать гораздо проще и быстрее, а при выходе крана из строя легко заменить его на новый.
Патрубки холодного напора подключают слева, ориентируясь от центра агрегата, горячий — с правой стороны.
Подключение газового котла в частном доме. Этапы подключения газовых котлов
Схема подключения газового котла к системе отопления довольно сложная, трудоёмкая и предполагает определённых знаний и опыта. Газовые котлы с каждым поколением становятся всё более высокоэффективными, безопасными, автоматика и регулировка усложняется. Большое распространение нашли универсальные котлы, которые не только отапливают помещение, но и греют воду.
Изготовители разрабатывают памятки и инструкции, где объясняют, как правильно выполнить подключение двухконтурного газового котла к системе отопления. Несмотря на сложности, разобраться с этапами монтажа можно самостоятельно. Это гораздо экономически выгоднее, ведь монтажные работы стоят очень не дешево.
Чтобы разобраться, как подключить газовый котел, следует разбить все действия на несколько этапов:
- монтаж агрегата (или крепление на стену, если это настенный вариант);
- работы по подсоединению водяного отопительного контура;
- подключение к водоснабжению (двухконтурных отопительных агрегатов);
- подключение к газопроводу;
- пусконаладочные работы.
Чтобы работа котла была безопасной и эффективной, нужно разобраться в особенностях каждого этапа.

Перед тем, как начать монтаж, нужно приобрести все необходимые расходные материалы, определиться, какими трубами подключать газовый котел и выяснить, к какому типу он относится:
- Одноконтурный котёл. Имеет один теплообменник и предназначен только для отопления.
- Двухконтурный котёл. Обслуживает два теплообменника: в одном циркулирует теплоноситель для водяного отопительного контура, второй предназначен для решения проблемы горячего водоснабжения. В летний период основной контур отключают. Подключение двухконтурного котла своими руками требует внимательности.
Системы отопления тоже бывают разными: закрытого или открытого типов. Теплоноситель может циркулировать принудительно либо самотёком. Однако принципы подключения котлов к отопительным системам одинаковые.

Очень простые в монтаже настенные газовые аппараты. Они небольшие по размерам и идут полностью со всей необходимой комплектацией, которые впоследствии понадобятся при монтаже. Для безопасной эксплуатации многие современные газовые агрегаты оснащаются специальными датчиками, которые сигнализируют о неполадках в системе. Это позволяет вовремя устранить небольшие поломки и этим избежать серьёзного и затратного ремонта всей системы. Поэтому котлы, которые с первого взгляда кажутся сложными в обслуживании, на самом деле, значительно экономят средства на их ремонте.
Подключение газового котла к электросети. Газовый котел - электрозависимый и “уязвимый”
Независимость от электричества - сомнительное преимущество для газового котла. Гравитационные системы без циркуляционного насоса, трехходового клапана еще встречаются достаточно часто, но все больше владельцев домов переходят на системы отопления с принудительной циркуляцией и дымоотведением, электронным управлением. Такие газовые котлы электрозависимые, но и более эффективные. При нынешних ценах на газ устраивать самотечную систему большая роскошь. От электричества зависимы циркуляционные насосы, контроллеры управления, программаторы, система дымоотвода, вентиляторы, клапаны и другие компоненты. Это так.Но и экономия газа при такой комплектации может достигать 40-60% в сравнении с электронезависимой гравитационной.
Для долгосрочной, бесперебойной работы газового котла его нужно правильно подключить к электросети и параметры электроэнергии должны соответствовать нормативным. Газовый котел с позиции электроподключения является более “нежным” и уязвимым устройством, чем другие бытовые электроприборы. К нему подключаются не только электричество, но и газовая труба, трубы отопления и водоснабжения. По нему протекает электропроводящий теплоноситель и санитарная вода. В совокупности при неправильном электрическом подключении это может привести к возникновению опасных токов и напряжений.
Дополнительной защитой от электричества низкого качества (скачки напряжений, частое пропадание напряжения в сети, завышенное или заниженное напряжение) являются стабилизаторы и ИБП для котлов. Такие приборы также нужно правильно подобрать . Но даже наличие в системе таких защитных устройств не снижает важности правильного электрического подключения.
Подключение одноконтурного газового котла. Подключение одноконтурного типа
Итак, в газовом котле данного типа всего лишь один теплообменник. Его задача греть теплоноситель для отопительной системы дома. Из самого прибора торчат два патрубка: один соединяется с подающим контуром отопления, второй - с его обраткой.
В настоящее время производители предлагают одноконтурные газовые котлы, которые могут работать в связке с отдельно стоящим бойлером, обеспечивающий дом горячей водой для хозяйственных нужд. Но это никак не меняет суть подключения самого котла. Просто в бойлере установлен змеевик, по которому движется теплоноситель, переходящий в систему отопления. Из самого же котла выходят все те же две трубы: подача и обратка. Конечно, бойлер усложняет монтаж (настенного или напольного) газового котла, но не на много.

Подключение одноконтурного котла
Давайте более подробно рассмотрим данный вариант подключения. Принцип работы этой установки таков:
- На подающем контуре трубной развязки устанавливается трехходовой клапан, который регулирует распределение теплоносителя по контурам.
- Он переключает направление движения горячей воды в контур бойлера, когда температура воды, используемая для хозяйственных нужд, ниже необходимой (запрограммированной). Если в самом начале в бойлере заливается холодная вода, то, чтобы довести ее до состояния горечей, необходимо будет 7-8 часов. Если температура в емкости горячая, но опускается ниже требуемой, то для поддержания температуры потребуется около часа. Но учтите: чем меньше емкость бойлера, тем быстрее происходит нагрев. К примеру, 200-литровый бак нагревается за 8 часов, а подогревается за 1,0-1,5 часа. 80-литровый нагревается за час, а подогревается за 20 минут. Эта информация будет полезна для тех, кто стоит на перепутье – что выбрать?
- Итак, теплоноситель начинает движение в бойлер, при этом трехходовой кран отсекает отопительный контур. Теплоноситель на этот период времени в систему отопления не поступает. Кран же переключается лишь в том случае, когда тепловой датчик подтвердит, что вода в бойлере нагрелась до необходимой температуры. Теперь вы сами можете сделать вывод, что, чем меньше бойлер, тем менее заметно происходит влияние нагрева в нем воды на всю систему отопления.
Как подключить двухконтурный котел vaillant. Настенные газовые котлы серии Vaillant: устройство одноконтурных моделей, инструкция по эксплуатации + цены
Создание автономной системы отопления частного дома.требует использования наиболее качественного и эффективного оборудования.
Одним из оптимальных решений станет использование настенных моделей газовых котлов, обладающих массой достоинств.
Одним из основных плюсов таких установок является компактность, позволяющая сэкономить пространство при монтаже.
Многие пользователи размещают котел в кухне, не выделяя для него отдельное помещение, причем, он прекрасно вписывается в стандартный интерьер помещения, не выделяясь ни размерами, ни дизайном.
Рассмотрим настенные газовые котлы фирмы, один из предпочтительных и качественных вариантов выбора.
Настенные котлы мало отличаются в принципиальном отношении отконструкций. Основная особенность — ориентированность на снижение веса и массы котла, необходимая для настенного монтажа.
Слишком тяжелые установки будут чрезмерно нагружать стены, создавая опасность для опорных конструкций и крепежа .
Для газовых котлов подобная возможность недопустима.
В целом, конструкция настенных агрегатов практически не изменена. Используется та же схема работы — нагрев теплоносителя от газовой горелки в первичном теплообменнике, подогрев ГВС от горячей отопительной воды (ОВ) перед тем, как она будет смешана с обратным потоком и будет направлена в отопительный контур.
Особенностью котлов является наличие медных деталей, позволяющих получить высокий КПД и длительный срок службы.
Оборудование фирмы Vaillant (Вайлант) славится долговечностью, являющейся одним из фирменных признаков продукции .

Типы
Настенные котлы Vaillant имеют несколько конструкционных разновидностей.
По типу камеры сгорания :
- Атмосферные, с естественным выводом продуктов горения.
- Турбированные, с закрытой горелкой и подачей воздуха с помощью вентилятора.
Для использования в частных домах удобнее приобрести турбированный котел, полностью безопасный и не добавляющий в атмосферу дома никаких, даже самых слабых, запахов.
Кроме того, такая конструкция используется в связке с коаксиальным дымоходом (тип «труба в трубе», где внешний трубопровод использован для подачи воздуха на вентилятор, а внутренний — выводит дым). Подобные конструкции значительно проще в монтаже и позволяют исключить сложные монтажные работы.
По функциональным возможностям настенные котлы Vaillant делятся на :
- Одноконтурные.
Одноконтурные установки способны работать только на обогрев дома. Двухконтурные выполняют параллельно подогрев воды для бытовых нужд, что намного удобнее и выгоднее для пользователей.
ВАЖНО!
При установке в кухне использование одноконтурных котлов нецелесообразно. Даже при наличии горячей воды из магистралей ГВС, иметь собственный источник выгоднее и удобнее, чем пользоваться сетевыми ресурсами.

Достоинства и недостатки
К достоинствам котлов Vaillant можно отнести :
- Надежность.
- Высокий КПД, достигающий 94%.
- Автоматический режим работы, практически не требующий вмешательства пользователя.
- Качественный регулятор давления собственной конструкции, способный компенсировать перепады давления газа в сети.
- Возможность одновременного питания радиаторной системы отопления и контуров теплого пола.
- Наличие собственной системы тестирования, определяющей проблемные элементы и выдающей на дисплей информацию о возникшей неисправности.
Недостатками агрегатов Vaillant можно считать :
- Дороговизна оборудования и запчастей.
- Плохая организация гарантийного обслуживания, низкая квалификация техников.
- Зависимость от наличия и типа подключения напряжения, в частности — фазозависимость.
- Требовательность к качеству воды.
ОБРАТИТЕ ВНИМАНИЕ!
Котлы фирмы Vaillant ориентированы на длительный срок службы, что сказывается на экономичности. Они несколько уступают в этом отношении продукции других фирм, поэтому рекомендуется отключать систему на время отъезда или переводить ее на минимальный режим работы.

Серии и модели
Настенные модели котлов Vaillant реализованы в двух сериях
- Vaillant Tec Plus
Эти серии мало отличаются друг от друга. Разница состоит в небольшом улучшении параметров линейки Plus.
